Máte dotaz? Volejte na +420 601 545 971 nebo pište na 

Váš dopytový formulár je prázdny

5/2 pneumatický ventil, G1/2, bistabilný 524 CC

5/2 pneumatický ventil, G1/2, bistabilný 524 CC
5/2 pneumatický ventil, G1/2, bistabilný 524 CC
5/2 pneumatický ventil, G1/2, bistabilný 524 CC
5/2 pneumatický ventil, G1/2, bistabilný 524 CC
Predajná cena bez DPH192,28 €
Poskytujeme individuální a množstvetní slevy.
Poslať otázku
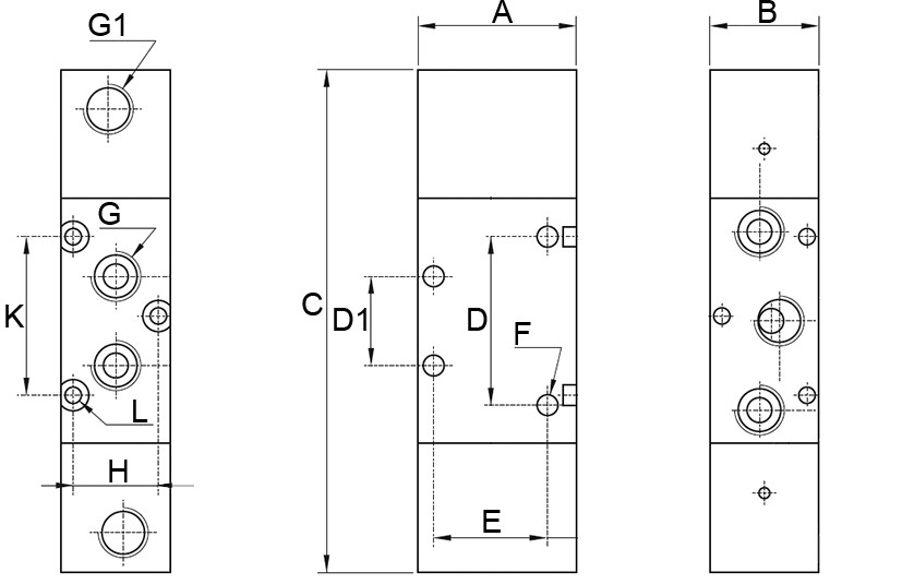
VeľkosťG 1/2
Funkcia ventilu5/2 bistabilný
Tok4600 l/min
DN13
A60
B40
C.166
D64
D132
E.42
Z5.5
G.G 1/2
G1G 1/8
H.32
K.64
ØL5.5

Ďalšie varianty tohto produktu:

ZAVRIEŤ
Vyplňte prosím meno a priezvisko.

Vyplňte prosím e-mail.

Vyplňte prosím otázku.

Copyright © 2018 - 2025 pneumatsystem.sk Všetky práva vyhradené
Nastavení cookie