- Priemyselná chémia
- Pneumatické pohony
- Plynové pružiny
- Pneumatické ventily a solenoidové ventily
- Membránové solenoidové ventily
- Hadicové a potrubné armatúry
- Závitové tvarovky
- Rýchlospojky, hadicové spojky
- Priemyselné armatúry z nerezovej ocele
- Úprava vzduchu - bloky, redukcia, filtre
- Guľové kohúty - Priemyselné armatúry
- Pneumatické hadice, priemyselné hadice
- Flowmatik
- Festo
- Vákuová technika
- Priemyselný vysávač
- Priemyselné tlmiče
- Manometre
- Kompresory
- Odvlhčovače, úprava vzduchu
- Bezpečnostné ventily
- Tlakové nádrže
- Pneumatické inštalácie
- Pneumatické náradie
- Chicago Pneumatic Poľska
- Vzduchové kľúče
- Vzduchové brúsky
- Pneumatické vŕtačky
- Nitovacie stroje
- Elektrické montážne náradie
- Skrutkovače - skrutkovače
- Vzduchové motory
- Špecializované nástroje
- Akumulátorové náradie
- Pneumatické navliekače
- Vzduchové kladivá
- Systémy merania krútiaceho momentu
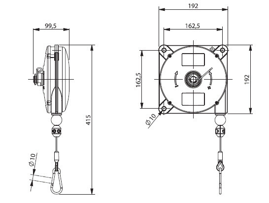
- Balancery
- Reakčné ramená
- Príslušenstvo pre pneumatické náradie
- Technika maľby
- Priemyselné čerpadlá
- Meracie prístroje
- Bezpečná pneumatika
- Silová hydraulika
- Nové produkty v ponuke
















