Máte dotaz? Volejte na +420 601 545 971 nebo pište na 

Váš dopytový formulár je prázdny
Guľôčky vr. VEGA 1 1/4" AISI316 RPTFE, pneumatický SA S46AA20700

Guľôčky vr. VEGA 1 1/4" AISI316 RPTFE, pneumatický SA S46AA20700

Guľôčky vr. VEGA 1 1/4" AISI316 RPTFE, pneumatický SA S46AA20700
Guľôčky vr. VEGA 1 1/4" AISI316 RPTFE, pneumatický SA S46AA20700
Predajná cena bez DPH673,29 €
Poskytujeme individuální a množstvetní slevy.
Poslať otázku
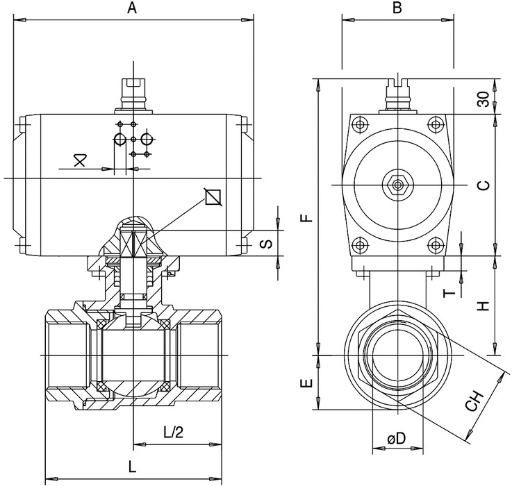
Vlákno1 "1/4
A161
B102
C.100
D32
E.33
F.188
L.110
H.58
CH50
S.12
T.10
ISO 5211F04-F05
Váhy3778 g

Ďalšie varianty tohto produktu:

Sortiment

ZAVRIEŤ
Vyplňte prosím meno a priezvisko.

Vyplňte prosím e-mail.

Vyplňte prosím otázku.

Copyright © 2018 - 2025 pneumatsystem.sk Všetky práva vyhradené
Nastavení cookie