- Priemyselná chémia
- Pneumatické pohony
- Plynové pružiny
- Pneumatické ventily a solenoidové ventily
- Membránové solenoidové ventily
- Hadicové a potrubné armatúry
- Závitové tvarovky
- Rýchlospojky, hadicové spojky
- Priemyselné armatúry z nerezovej ocele
- Úprava vzduchu - bloky, redukcia, filtre
- Guľové kohúty - Priemyselné armatúry
- Mosadzné guľové kohúty
- Guľové kohúty z nerezovej ocele
- Klapky - prírubové klapky
- Pneumaticky ovládané guľové kohúty
- Funkčné ventily
- Elektricky ovládané guľové kohúty
- Priemyselné ventily
- Klinové posúvače
- Uzatváracie ventily
- Ihlové ventily
- Plynové guľové kohúty
- Vysokotlakové guľové ventily
- Narážacie guľové kohúty
- Prírubové ventily
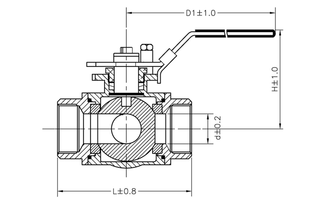
- Trojcestné ventily
- Koncové spínače
- Pohony pre klapky a guľové kohúty
- Pneumatické polohovadlo
- Nožové posúvače
- Systém LOTO - guľové kohúty
- Vlnovcové dilatačné škáry
- Pneumatické hadice, priemyselné hadice
- Flowmatik
- Festo
- Vákuová technika
- Priemyselný vysávač
- Priemyselné tlmiče
- Manometre
- Kompresory
- Odvlhčovače, úprava vzduchu
- Bezpečnostné ventily
- Tlakové nádrže
- Pneumatické inštalácie
- Pneumatické náradie
- Technika maľby
- Priemyselné čerpadlá
- Meracie prístroje
- Bezpečná pneumatika
- Silová hydraulika
- Nové produkty v ponuke













