Máte dotaz? Volejte na +420 601 545 971 nebo pište na 

Váš dopytový formulár je prázdny
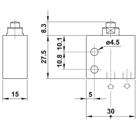
Mechanický ventil 3/2 NC s pripojením M5 MA 305
ZAVRIEŤ
Vyplňte prosím meno a priezvisko.

Vyplňte prosím e-mail.

Vyplňte prosím otázku.

Copyright © 2018 - 2025 pneumatsystem.sk Všetky práva vyhradené
Nastavení cookie