Máte dotaz? Volejte na +420 601 545 971 nebo pište na 

Váš dopytový formulár je prázdny
multikonektor komplet, vákuový 8xfi4, odd z 2 strán VT1811-080222

multikonektor komplet, vákuový 8xfi4, odd z 2 strán VT1811-080222

multikonektor komplet, vákuový 8xfi4, odd z 2 strán VT1811-080222
multikonektor komplet, vákuový 8xfi4, odd z 2 strán VT1811-080222
Poskytujeme individuální a množstvetní slevy.
Poslať otázku
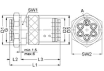
Počet otvorov8
Forma montáže:kompletný
pre hada4 mm (5/32")
L158,5
L213.5
L345
G.M34x1
D139.8
D234
D341,5
SW134
SW241
SZ2.5
g / kus181

Ďalšie varianty tohto produktu:

ZAVRIEŤ
Vyplňte prosím meno a priezvisko.

Vyplňte prosím e-mail.

Vyplňte prosím otázku.

Copyright © 2018 - 2025 pneumatsystem.sk Všetky práva vyhradené
Nastavení cookie