- Priemyselná chémia
- Pneumatické pohony
- Plynové pružiny
- Pneumatické ventily a solenoidové ventily
- Membránové solenoidové ventily
- Hadicové a potrubné armatúry
- Závitové tvarovky
- Mosadzné spojovacie prvky
- Vodovodné armatúry z nerezovej ocele 316 do 10 bar
- 316L závitové šróbenie do 140 bar
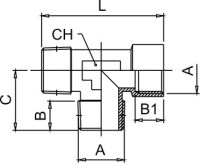
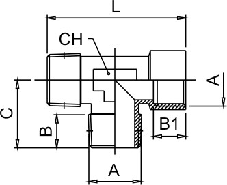
- 60° hydraulické adaptéry z nerezovej ocele
- Inštalačné armatúry z nerezovej ocele na zváranie
- Vysokoteplotné pozinkované oceľové konektory
- Tlmiče hluku
- Spojovacie lišty
- Otočné spojky na vodu
- Nástenné pneumatické rozvádzače
- Rýchlospojky, hadicové spojky
- Priemyselné armatúry z nerezovej ocele
- Úprava vzduchu - bloky, redukcia, filtre
- Guľové kohúty - Priemyselné armatúry
- Pneumatické hadice, priemyselné hadice
- Flowmatik
- Festo
- Vákuová technika
- Priemyselný vysávač
- Priemyselné tlmiče
- Manometre
- Kompresory
- Odvlhčovače, úprava vzduchu
- Bezpečnostné ventily
- Tlakové nádrže
- Pneumatické inštalácie
- Pneumatické náradie
- Technika maľby
- Priemyselné čerpadlá
- Meracie prístroje
- Bezpečná pneumatika
- Silová hydraulika
- Nové produkty v ponuke















