- Priemyselná chémia
- Pneumatické pohony
- Plynové pružiny
- Pneumatické ventily a solenoidové ventily
- Membránové solenoidové ventily
- Hadicové a potrubné armatúry
- Závitové tvarovky
- Rýchlospojky, hadicové spojky
- Priemyselné armatúry z nerezovej ocele
- Úprava vzduchu - bloky, redukcia, filtre
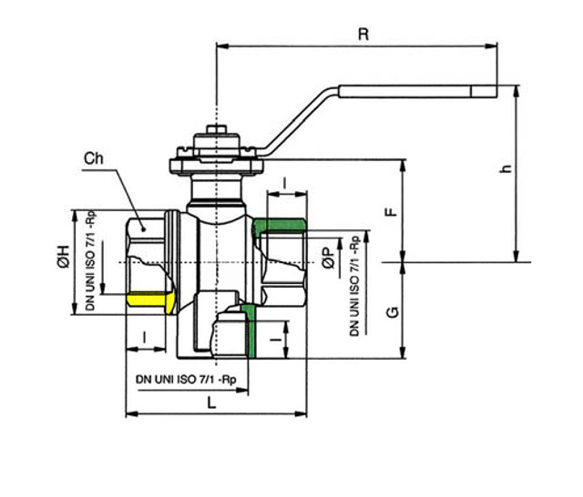
- Guľové kohúty - Priemyselné armatúry
- Mosadzné guľové kohúty
- Mini guľové kohúty radu GHILUX - poniklovaná mosadz
- Mosadzné guľové kohúty radu ECONO
- Guľové kohúty so zámkom
- Guľové kohúty s odvzdušňovaním a uzáverom
- Guľové kohúty 40 bar
- Guľové kohúty 40 bar s rukoväťou v rôznych farbách
- Guľové kohúty 63 bar
- Guľové kohúty 80 bar
- Guľové kohúty 100 bar
- Guľové kohúty 210 bar
- Guľové kohúty pre pohon do 25 bar
- Guľové kohúty s ventiláciou
- Guľové kohúty so spätným ventilom
- Guľový ventil so sitkom
- Guľový kohút so skrutkovým pripojením
- Plniace - vyprázdňovacie ventily
- Guľové kohúty s vratnou pružinou
- Guľové kohúty s manuálnou prevodovkou
- Mosadzné prírubové ventily
- Mosadzné trojcestné ventily
- Narážacie guľové kohúty
- Guľové kohúty s motýlikmi
- Guľové kohúty z nerezovej ocele
- Klapky - prírubové klapky
- Pneumaticky ovládané guľové kohúty
- Funkčné ventily
- Elektricky ovládané guľové kohúty
- Priemyselné ventily
- Klinové posúvače
- Uzatváracie ventily
- Ihlové ventily
- Plynové guľové kohúty
- Vysokotlakové guľové ventily
- Narážacie guľové kohúty
- Prírubové ventily
- Trojcestné ventily
- Koncové spínače
- Pohony pre klapky a guľové kohúty
- Pneumatické polohovadlo
- Nožové posúvače
- Systém LOTO - guľové kohúty
- Vlnovcové dilatačné škáry
- Mosadzné guľové kohúty
- Pneumatické hadice, priemyselné hadice
- Flowmatik
- Festo
- Vákuová technika
- Priemyselný vysávač
- Priemyselné tlmiče
- Manometre
- Kompresory
- Odvlhčovače, úprava vzduchu
- Bezpečnostné ventily
- Tlakové nádrže
- Pneumatické inštalácie
- Pneumatické náradie
- Technika maľby
- Priemyselné čerpadlá
- Meracie prístroje
- Bezpečná pneumatika
- Silová hydraulika
- Nové produkty v ponuke














