- Priemyselná chémia
- Pneumatické pohony
- Plynové pružiny
- Pneumatické ventily a solenoidové ventily
- Membránové solenoidové ventily
- Hadicové a potrubné armatúry
- Závitové tvarovky
- Rýchlospojky, hadicové spojky
- Priemyselné armatúry z nerezovej ocele
- Úprava vzduchu - bloky, redukcia, filtre
- Guľové kohúty - Priemyselné armatúry
- Pneumatické hadice, priemyselné hadice
- Flowmatik
- Festo
- Vákuová technika
- Priemyselný vysávač
- Priemyselné tlmiče
- Manometre
- Kompresory
- Odvlhčovače, úprava vzduchu
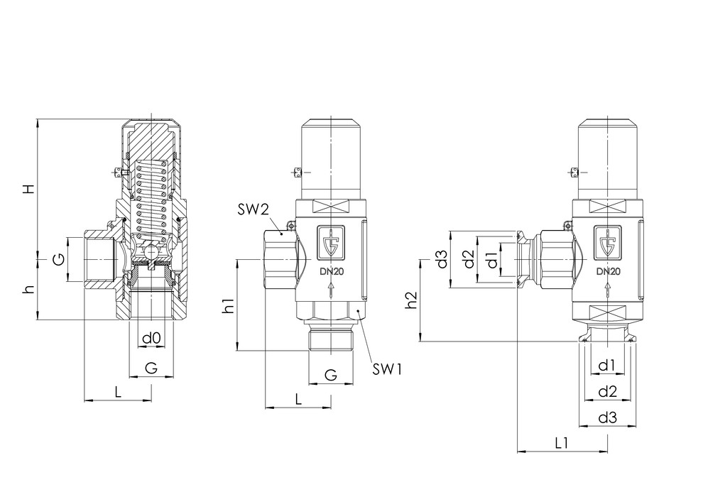
- Bezpečnostné ventily
- Poistné ventily pre vzduch
- Bezpečnostné parné ventily
- Séria 642 poistné ventily s prírubovým závitom s pákou
- Uhlové bronzové poistné ventily pre paru DN15-DN50 séria 652P
- Rohové poistné ventily z bronzu DN15-DN32 séria 851P
- Rohové poistné ventily z nerezovej ocele DN15-DN32 séria 451P
- Rohové poistné ventily z nerezovej ocele DN10-DN25 radu 460P
- Uhlové bronzové poistné ventily pre paru DN10-DN50, rada 618P
- Nerezové rohové poistné ventily pre paru DN10-DN32 séria 418P
- Nerezové rohové poistné ventily pre paru DN10-DN50 séria 417P
- Rohové, prírubové poistné ventily DN40-DN50 séria 852P
- Prírubové liatinové poistné ventily DN15 až DN100
- Bezpečnostné prírubové ventily pre paru z liatiny
- Poistné ventily na vodu
- Miniatúrne poistné ventily
- Bezpečnostné ventily pre kryogénne aplikácie
- Šikmá sitka
- Tlakové nádrže
- Pneumatické inštalácie
- Pneumatické náradie
- Technika maľby
- Priemyselné čerpadlá
- Meracie prístroje
- Bezpečná pneumatika
- Silová hydraulika
- Nové produkty v ponuke















