Máte dotaz? Volejte na +420 601 545 971 nebo pište na 

Váš dopytový formulár je prázdny

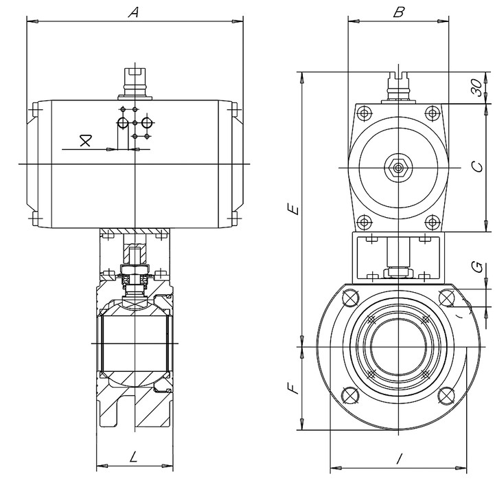
Vč.ul. príruba MOON DN50 A105/PTFE s nap. pneum. SA S51AA60900

Vč.ul. príruba MOON DN50 A105/PTFE s nap. pneum. SA S51AA60900
Vč.ul. príruba MOON DN50 A105/PTFE s nap. pneum. SA S51AA60900
Predajná cena bez DPH844,38 €
Poskytujeme individuální a množstvetní slevy.
Poslať otázku
DN50
A209
B120
C.117
E.262
F.75
G.M16
A125
L.70
L ND83 mm
PN16
Váhy11170 g

Ďalšie varianty tohto produktu:

Sortiment

ZAVRIEŤ
Vyplňte prosím meno a priezvisko.

Vyplňte prosím e-mail.

Vyplňte prosím otázku.

Copyright © 2018 - 2025 pneumatsystem.sk Všetky práva vyhradené
Nastavení cookie