Máte dotaz? Volejte na +420 601 545 971 nebo pište na 

Váš dopytový formulár je prázdny
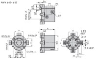
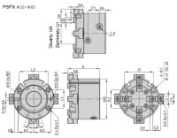
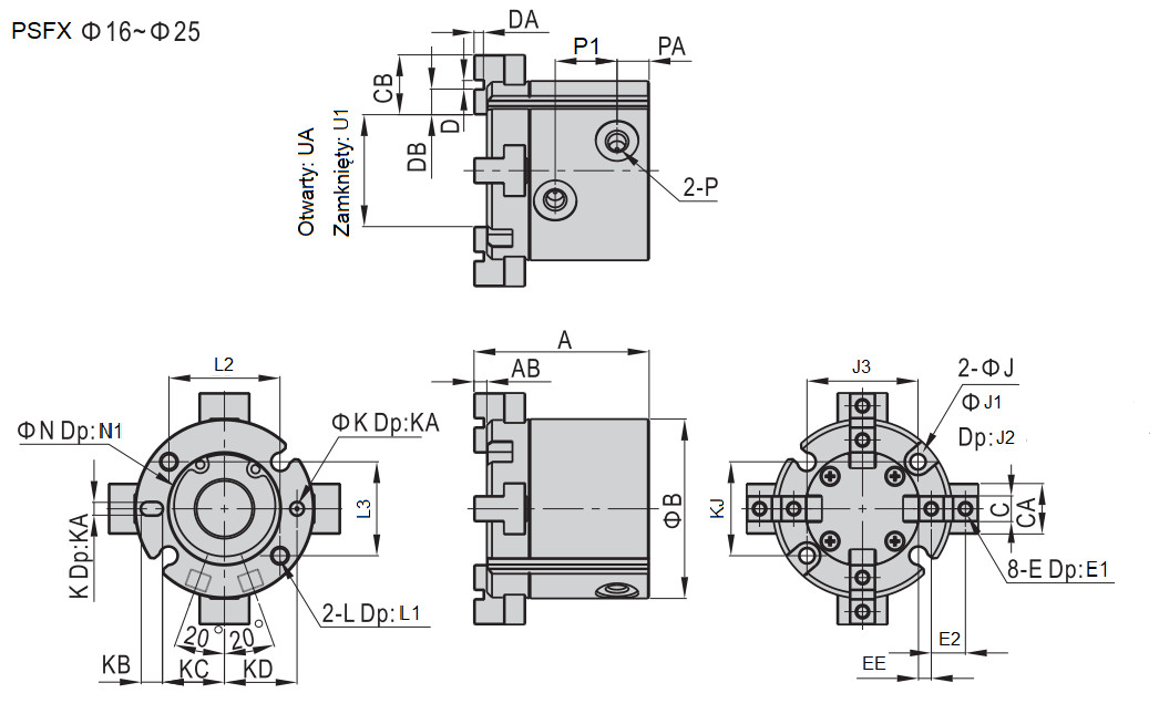
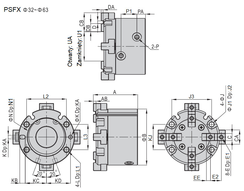
Viacčeľusťové chápadlá radu PSFX D20 PSFX020

Viacčeľusťové chápadlá radu PSFX D20 PSFX020

Viacčeľusťové chápadlá radu PSFX D20 PSFX020
Viacčeľusťové chápadlá radu PSFX D20 PSFX020
Viacčeľusťové chápadlá radu PSFX D20 PSFX020
Viacčeľusťové chápadlá radu PSFX D20 PSFX020
Viacčeľusťové chápadlá radu PSFX D20 PSFX020
Viacčeľusťové chápadlá radu PSFX D20 PSFX020
Poskytujeme individuální a množstvetní slevy.
Poslať otázku
Priemerdvadsať
A39 mm
AB3
B36 mm
C.6 mm
CA10
CB12
D2
DA2
DB5
E.M3x0,5
E15
E27
EE2.5
J.3.4
J16
J26
J324
K.2
KA2
KB3
Ústredného výboru13
KD14.5
KJ18
L.M4x0,7
L18
L224
L318
N21
N11.5
P.M5x0,8
P113
PA7
U115
UA19

Ďalšie varianty tohto produktu:

ZAVRIEŤ
Vyplňte prosím meno a priezvisko.

Vyplňte prosím e-mail.

Vyplňte prosím otázku.

Copyright © 2018 - 2025 pneumatsystem.sk Všetky práva vyhradené
Nastavení cookie