Máte dotaz? Volejte na +420 601 545 971 nebo pište na 

Váš dopytový formulár je prázdny

3/2 pneumatický ventil, G1/2, bistabilný, EX 01VP130005

3/2 pneumatický ventil, G1/2, bistabilný, EX 01VP130005
3/2 pneumatický ventil, G1/2, bistabilný, EX 01VP130005
3/2 pneumatický ventil, G1/2, bistabilný, EX 01VP130005
Predajná cena bez DPH151,93 €
Poskytujeme individuální a množstvetní slevy.
Poslať otázku
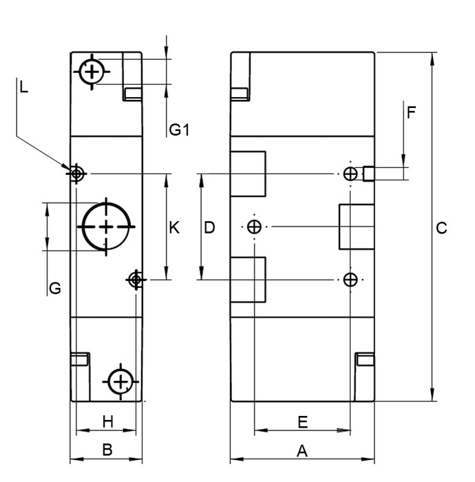
VeľkosťG 1/2
Funkcia ventilu3/2 bistabilný
Tok5000 l/min
A60
Btridsať
C.145,2
D44
E.40
Z5.3
G.G 1/2
G1G 1/8
H.24.9
K.44
ØL3.1

Ďalšie varianty tohto produktu:

ZAVRIEŤ
Vyplňte prosím meno a priezvisko.

Vyplňte prosím e-mail.

Vyplňte prosím otázku.

Copyright © 2018 - 2025 pneumatsystem.sk Všetky práva vyhradené
Nastavení cookie