Máte dotaz? Volejte na +420 601 545 971 nebo pište na 

Váš dopytový formulár je prázdny
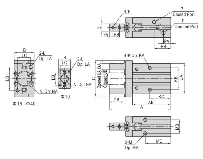
Paralelné chápadlo D10 AGR010

Paralelné chápadlo D10 AGR010

Paralelné chápadlo D10 AGR010
Paralelné chápadlo D10 AGR010
Predajná cena bez DPH175,50 €
Poskytujeme individuální a množstvetní slevy.
Poslať otázku
A57
B16.5
C.tridsať
D5
DA4
DB12
E.M2,5x0,45
Rozsah tlaku- bar
CA23
K.M3x0,5
L.M3x0,5
M.M3x0,5
NV 11
P.M3x0,5
AB37,5
EA3
EB5.7
KA5
KB16
Ústredného výboru23
Los Angeles6
LB18
LC12
MA6
MB11.5
MC27
NA1.5
PA7
PB19
PC10
UA15.5
UB11.5

Ďalšie varianty tohto produktu:

ZAVRIEŤ
Vyplňte prosím meno a priezvisko.

Vyplňte prosím e-mail.

Vyplňte prosím otázku.

Copyright © 2018 - 2025 pneumatsystem.sk Všetky práva vyhradené
Nastavení cookie