Máte dotaz? Volejte na +420 601 545 971 nebo pište na 

Váš dopytový formulár je prázdny
Paralelné chápadlo D25 AGR025

Paralelné chápadlo D25 AGR025

Paralelné chápadlo D25 AGR025
Paralelné chápadlo D25 AGR025
Predajná cena bez DPH243,02 €
Poskytujeme individuální a množstvetní slevy.
Poslať otázku
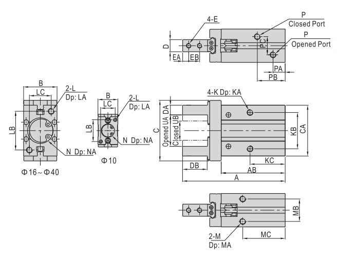
A103
B33.5
C.71
D12
DA10
DB25
E.M5x0,8
Rozsah tlaku- bar
CA52
K.M6x1,0
L.M6x1,0
M.M6x1,0
NØ26
P.M5x0,8
AB64
EA6
EB12
KA10
KB36
Ústredného výborutridsať
Los Angeles12
LB40
LC22
MA10
MB22
MC36.5
NA2
PA9
PB24
PCdvadsať
UA33.5
UB19.5

Ďalšie varianty tohto produktu:

ZAVRIEŤ
Vyplňte prosím meno a priezvisko.

Vyplňte prosím e-mail.

Vyplňte prosím otázku.

Copyright © 2018 - 2025 pneumatsystem.sk Všetky práva vyhradené
Nastavení cookie