Máte dotaz? Volejte na +420 601 545 971 nebo pište na 

Váš dopytový formulár je prázdny
Strmeňové pohony s nastaviteľnými čapmi D100 XCIREG / 100

Strmeňové pohony s nastaviteľnými čapmi D100 XCIREG / 100

Strmeňové pohony s nastaviteľnými čapmi D100 XCIREG / 100
Strmeňové pohony s nastaviteľnými čapmi D100 XCIREG / 100
Strmeňové pohony s nastaviteľnými čapmi D100 XCIREG / 100
Predajná cena bez DPH120,31 €
Poskytujeme individuální a množstvetní slevy.
Poslať otázku
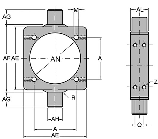
AE125
ALtridsať
AH25
AG25
AF131
AN107
R2
A90
M.10.25
Q15
ZM8

Ďalšie varianty tohto produktu:

ZAVRIEŤ
Vyplňte prosím meno a priezvisko.

Vyplňte prosím e-mail.

Vyplňte prosím otázku.

Copyright © 2018 - 2025 pneumatsystem.sk Všetky práva vyhradené
Nastavení cookie