Máte dotaz? Volejte na +420 601 545 971 nebo pište na 

Váš dopytový formulár je prázdny
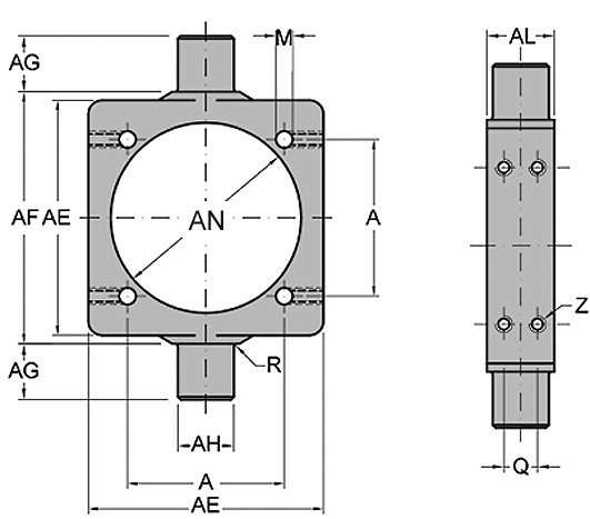
Strmeňové pohony s nastaviteľnými čapmi D50 XCIREG / 050

Strmeňové pohony s nastaviteľnými čapmi D50 XCIREG / 050

Strmeňové pohony s nastaviteľnými čapmi D50 XCIREG / 050
Strmeňové pohony s nastaviteľnými čapmi D50 XCIREG / 050
Strmeňové pohony s nastaviteľnými čapmi D50 XCIREG / 050
Predajná cena bez DPH58,61 €
Poskytujeme individuální a množstvetní slevy.
Poslať otázku
AE69
ALdvadsať
AH16
AG16
AF73
AN56
R1.6
A49
M.8.25
Q8
ZM6

Ďalšie varianty tohto produktu:

ZAVRIEŤ
Vyplňte prosím meno a priezvisko.

Vyplňte prosím e-mail.

Vyplňte prosím otázku.

Copyright © 2018 - 2025 pneumatsystem.sk Všetky práva vyhradené
Nastavení cookie