Máte dotaz? Volejte na +420 601 545 971 nebo pište na 

Váš dopytový formulár je prázdny
Strmeňové pohony s nastaviteľnými čapmi D160 XCIREG / 160

Strmeňové pohony s nastaviteľnými čapmi D160 XCIREG / 160

Strmeňové pohony s nastaviteľnými čapmi D160 XCIREG / 160
Strmeňové pohony s nastaviteľnými čapmi D160 XCIREG / 160
Strmeňové pohony s nastaviteľnými čapmi D160 XCIREG / 160
Predajná cena bez DPH252,02 €
Poskytujeme individuální a množstvetní slevy.
Poslať otázku
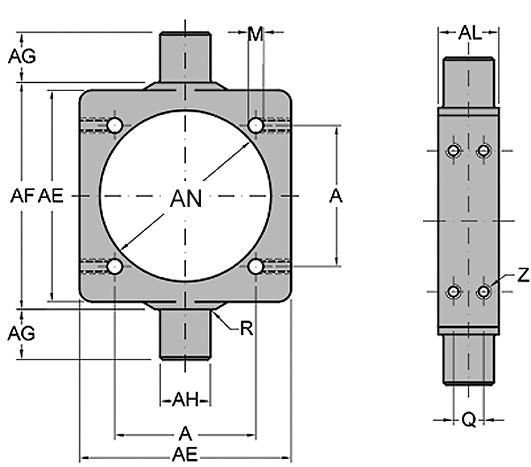
Priemer160 mm
AE190
AL40
AH32
AG32
AF200
AN171
R2.5
A140
M.16:25
Q18
ZM12

Ďalšie varianty tohto produktu:

ZAVRIEŤ
Vyplňte prosím meno a priezvisko.

Vyplňte prosím e-mail.

Vyplňte prosím otázku.

Copyright © 2018 - 2025 pneumatsystem.sk Všetky práva vyhradené
Nastavení cookie