Máte dotaz? Volejte na +420 601 545 971 nebo pište na 

Váš dopytový formulár je prázdny
Strmeňové pohony s nastaviteľnými čapmi D125 XCIREG / 125

Strmeňové pohony s nastaviteľnými čapmi D125 XCIREG / 125

Strmeňové pohony s nastaviteľnými čapmi D125 XCIREG / 125
Strmeňové pohony s nastaviteľnými čapmi D125 XCIREG / 125
Strmeňové pohony s nastaviteľnými čapmi D125 XCIREG / 125
Predajná cena bez DPH204,28 €
Poskytujeme individuální a množstvetní slevy.
Poslať otázku
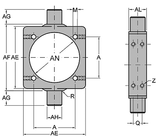
AE155
AL32
AH25
AG25
AF160
AN133,5
R2
A110
M.12.25
Q15
ZM10

Ďalšie varianty tohto produktu:

ZAVRIEŤ
Vyplňte prosím meno a priezvisko.

Vyplňte prosím e-mail.

Vyplňte prosím otázku.

Copyright © 2018 - 2025 pneumatsystem.sk Všetky práva vyhradené
Nastavení cookie