Máte dotaz? Volejte na +420 601 545 971 nebo pište na 

Váš dopytový formulár je prázdny
Strmeňové pohony s nastaviteľnými čapmi D80 XCIREG / 080

Strmeňové pohony s nastaviteľnými čapmi D80 XCIREG / 080

Strmeňové pohony s nastaviteľnými čapmi D80 XCIREG / 080
Strmeňové pohony s nastaviteľnými čapmi D80 XCIREG / 080
Strmeňové pohony s nastaviteľnými čapmi D80 XCIREG / 080
Predajná cena bez DPH87,83 €
Poskytujeme individuální a množstvetní slevy.
Poslať otázku
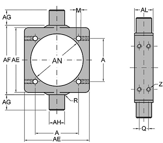
AE102
AL25
AHdvadsať
AGdvadsať
AF108
AN87
R1.6
A75
M.10.25
Q12
ZM8

Ďalšie varianty tohto produktu:

ZAVRIEŤ
Vyplňte prosím meno a priezvisko.

Vyplňte prosím e-mail.

Vyplňte prosím otázku.

Copyright © 2018 - 2025 pneumatsystem.sk Všetky práva vyhradené
Nastavení cookie