Máte dotaz? Volejte na +420 601 545 971 nebo pište na 

Váš dopytový formulár je prázdny
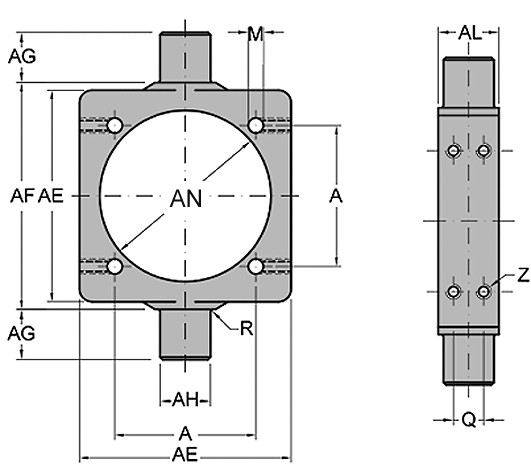
Strmeňové pohony s nastaviteľnými čapmi D320 XCIREG / 320
ZAVRIEŤ
Vyplňte prosím meno a priezvisko.

Vyplňte prosím e-mail.

Vyplňte prosím otázku.

Copyright © 2018 - 2025 pneumatsystem.sk Všetky práva vyhradené
Nastavení cookie